Software: SolidWorks 2025 – Education Edition
Modeller: Vesa Lampinen
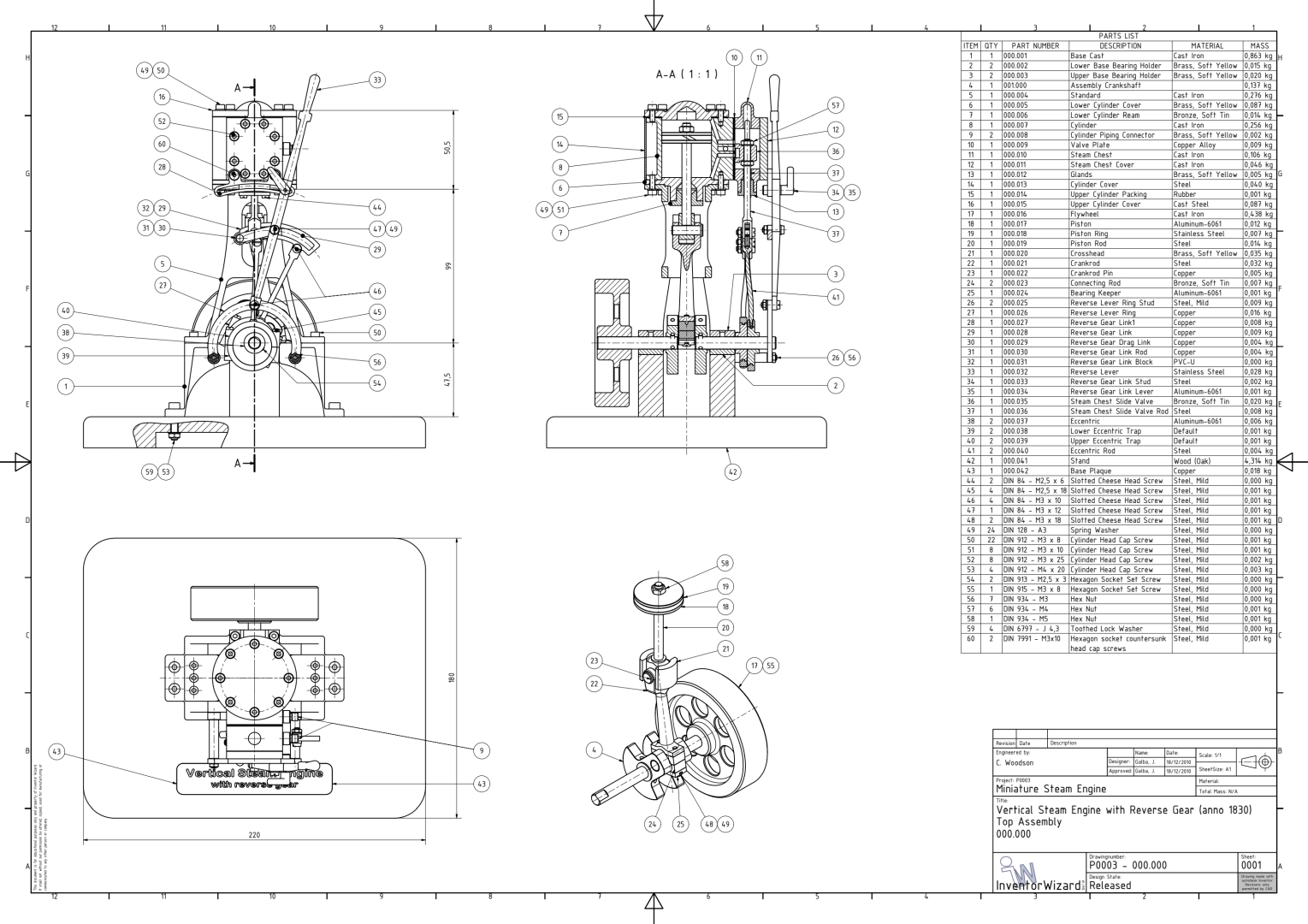
Source: Inventor Wizard
This assembly was an exercise for the education that dealt with CAD-techniques. Assembling the steam engine correctly wasn’t easy task. Certain subassemblies had to be flexible or otherwise the crankshaft and piston didn’t move at all. Lots of new things were learned here.








The assembly consists of 11 subassemblies and 58 different parts.