Software: SolidWorks 2023 – Student Edition
Modeller: Vesa Lampinen
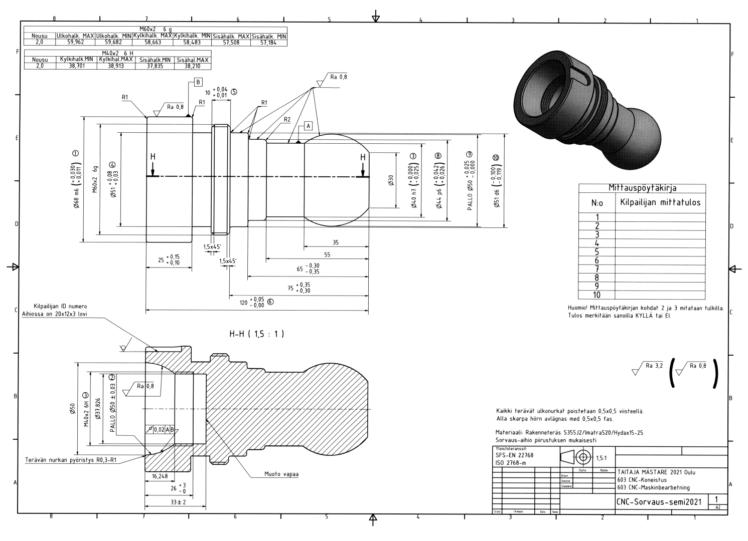
This is a CNC-turnery work originally done in the event where students were competing with each other.






The groove located in the other end of an item was originally done beforehand to a blank before the competition, so a student didn’t do it.